Затвор межфланцевый с уплотнением PTFE обеспечивает герметичность в обе стороны направления потока рабочей среды. Высокая степень герметичности достигается благодаря особой конструкции корпуса и уплотнительного кольца из фторопласта.
Cрок службы двусторонне-герметичного затвор зависит от правильности установки, если присутствует основное направление потока среды и резервное, то устанавливать затвор необходимо входным патрубком (фланцем) по отношению к основному направлению потока рабочей среды.

Затвор межфланцевый двусторонне-герметичный с уплотнением PTFE cуправлением через рукоятку

Основные присоединительные размеры Ру 10 кгс/см2
|
Ду |
L |
K |
N-M |
4-Ф |
d |
H |
Ho |
A |
Вес, кг |
|---|---|---|---|---|---|---|---|---|---|
|
50 |
46 |
125 |
4-M16 |
18 |
99 |
140 |
80 |
260 |
5,5 |
|
65 |
48 |
145 |
8-M16 |
18 |
118 |
165 |
80 |
260 |
6 |
|
80 |
48 |
160 |
8-M16 |
18 |
132 |
175 |
95 |
260 |
7 |
|
100 |
54 |
180 |
8-M16 |
18 |
156 |
200 |
115 |
260 |
13 |
|
125 |
57 |
210 |
8-M16 |
18 |
184 |
225 |
130 |
350 |
19 |
|
150 |
57 |
240 |
8-M20 |
20 |
211 |
245 |
145 |
400 |
21 |
|
200 |
64 |
295 |
8-M20 |
20 |
266 |
275 |
190 |
650 |
30 |
Основные присоединительные размеры Ру 16 кгс/см2
|
Ду |
L |
K |
N-M |
4-Ф |
d |
H |
Ho |
A |
Вес, кг |
|---|---|---|---|---|---|---|---|---|---|
|
50 |
46 |
125 |
4-M16 |
18 |
99 |
140 |
80 |
260 |
5,5 |
|
65 |
48 |
145 |
4-M16 |
18 |
118 |
165 |
80 |
260 |
6 |
|
80 |
48 |
160 |
8-M16 |
18 |
132 |
175 |
95 |
260 |
7 |
|
100 |
54 |
180 |
8-M16 |
18 |
156 |
200 |
115 |
260 |
13 |
|
125 |
57 |
210 |
8-M16 |
18 |
184 |
225 |
130 |
350 |
19 |
|
150 |
57 |
240 |
8-M20 |
20 |
211 |
245 |
145 |
400 |
21 |
|
200 |
64 |
295 |
8-M20 |
20 |
266 |
275 |
190 |
650 |
30 |
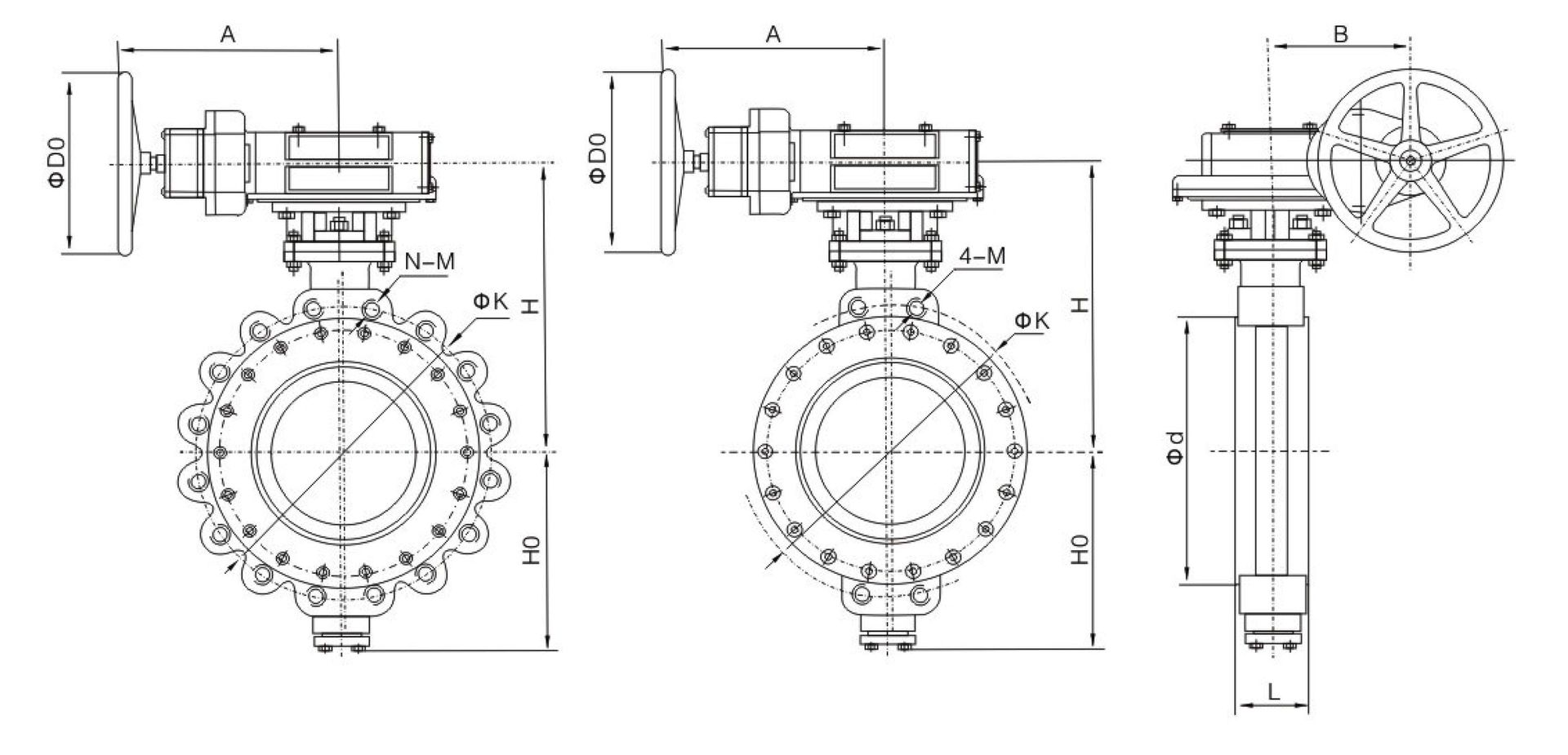
Затвор межфланцевый двусторонне-герметичный с уплотнением PTFE c управлением через редуктор

Основные присоединительные размеры Ру 10 кгс/см2.
|
Ду |
L |
K |
N-M |
4-Ф |
d |
H |
Ho |
A |
B |
Do |
Вес, кг |
|---|---|---|---|---|---|---|---|---|---|---|---|
|
250 |
76 |
355 |
12-M20 |
M20 |
319 |
410 |
230 |
315 |
78 |
305 |
46 |
|
300 |
83 |
400 |
12-M20 |
M20 |
370 |
450 |
260 |
281 |
120 |
406 |
77 |
|
350 |
92 |
460 |
16-M20 |
M20 |
429 |
520 |
286 |
281 |
120 |
406 |
94 |
|
400 |
102 |
515 |
16-M24 |
M24 |
480 |
581 |
330 |
365 |
146 |
400 |
165 |
|
450 |
114 |
565 |
20-M24 |
M24 |
530 |
591 |
360 |
365 |
146 |
400 |
202 |
|
500 |
127 |
620 |
20-M24 |
M24 |
582 |
631 |
400 |
365 |
146 |
400 |
244 |
|
600 |
154 |
725 |
20-M27 |
M27 |
682 |
736 |
460 |
525 |
305 |
400 |
406 |
|
700 |
165 |
840 |
24-M27 |
M27 |
794 |
741 |
485 |
525 |
305 |
400 |
494 |
|
800 |
190 |
950 |
24-M30 |
M30 |
901 |
829 |
540 |
525 |
305 |
400 |
631 |
|
900 |
203 |
1050 |
28-M30 |
M30 |
1001 |
871 |
600 |
525 |
305 |
400 |
1106 |
|
1000 |
216 |
1160 |
28-M33 |
M33 |
1112 |
976 |
700 |
525 |
305 |
400 |
1192 |
Основные присоединительные размеры Ру 16 кгс/см2
|
Ду |
L |
K |
N-M |
4-Ф |
d |
H |
Ho |
А |
B |
Do |
Вес,кг |
|---|---|---|---|---|---|---|---|---|---|---|---|
|
250 |
76 |
355 |
12-M24 |
M24 |
319 |
410 |
230 |
315 |
78 |
305 |
52 |
|
300 |
83 |
410 |
12-M24 |
M24 |
370 |
450 |
260 |
281 |
120 |
406 |
84 |
|
350 |
92 |
470 |
16-M24 |
M24 |
429 |
520 |
286 |
281 |
120 |
406 |
108 |
|
400 |
102 |
525 |
16-M27 |
M27 |
480 |
581 |
330 |
365 |
146 |
400 |
184 |
|
450 |
114 |
585 |
20-M27 |
M27 |
548 |
591 |
360 |
365 |
146 |
400 |
226 |
|
500 |
127 |
650 |
20-M30 |
M30 |
609 |
631 |
400 |
365 |
146 |
400 |
271 |
|
600 |
154 |
770 |
20-M33 |
M33 |
720 |
736 |
460 |
525 |
305 |
400 |
449 |
|
700 |
165 |
840 |
24-M33 |
M33 |
794 |
741 |
485 |
525 |
305 |
400 |
551 |
|
800 |
190 |
950 |
24-M36 |
M36 |
901 |
829 |
540 |
525 |
305 |
400 |
701 |
|
900 |
203 |
1050 |
28-M36 |
M36 |
1001 |
871 |
600 |
525 |
305 |
400 |
1231 |
|
1000 |
216 |
1170 |
28-M39 |
M39 |
1112 |
976 |
700 |
525 |
305 |
400 |
1326 |
Смотрите также
ОАО «Белорусская универсальная товарная биржа»