- 32c310(910)нж - У1(ХЛ1,УХЛ1). Давление номинальное: 1,0 МПа (10 кгс/см2)
- 32c316(916)нж - У1(ХЛ1,УХЛ1). Давление номинальное: 1,6 МПа (16 кгс/см2)
- 32с325(925)нж - У1(ХЛ1,УХЛ1). Давление номинальное: 2,5 МПа (25 кгс/см2)
| Герметичность затвора: |
Односторонняя Класс «A» ГОСТ 54808 - 2011 |
|||
| Гарантийная наработка не менее, циклов |
Ду 50-400 |
1500 |
Ду 400-1200 |
1000 |
| Средний ресурс седла затвора не менее, циклов |
Ду 50-400 |
3000 |
Ду 400-1200 |
2000 |
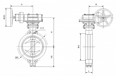
Основные присоединительные размеры и масса изделия. Давление номинальное: 1,0 МПа (10 кгс/см2)
|
Ду (mm) |
L |
D1 |
4-X |
d |
H |
H0 |
A |
B |
D0 |
Масса (kg) |
|---|---|---|---|---|---|---|---|---|---|---|
|
80 |
49 |
160 |
M18 |
132 |
215 |
98 |
195 |
45 |
152 |
17 |
|
100 |
56 |
180 |
M18 |
156 |
230 |
112 |
195 |
45 |
152 |
21 |
|
125 |
64 |
210 |
M18 |
184 |
246 |
125 |
195 |
45 |
152 |
28 |
|
150 |
70 |
240 |
M22 |
211 |
297 |
155 |
325 |
66 |
305 |
35 |
|
200 |
71 |
295 |
M20 |
266 |
351 |
200 |
325 |
66 |
305 |
42 |
|
250 |
76 |
350 |
M20 |
319 |
384 |
231 |
315 |
78 |
305 |
55 |
|
300 |
83 |
400 |
M20 |
370 |
415 |
261 |
281 |
120 |
406 |
90 |
|
350 |
92 |
460 |
M20 |
429 |
470 |
298 |
281 |
120 |
406 |
110 |
|
400 |
102 |
515 |
M24 |
480 |
531 |
331 |
365 |
146 |
400 |
190 |
|
450 |
114 |
565 |
M24 |
530 |
564 |
369 |
365 |
146 |
400 |
230 |
|
500 |
127 |
620 |
M24 |
582 |
596 |
404 |
365 |
146 |
400 |
285 |
|
600 |
154 |
725 |
M27 |
682 |
676 |
473 |
525 |
305 |
400 |
450 |
|
700 |
165 |
840 |
M27 |
794 |
749 |
538 |
525 |
305 |
400 |
540 |
|
800 |
190 |
950 |
M30 |
901 |
829 |
615 |
525 |
305 |
400 |
700 |
|
900 |
203 |
1050 |
M30 |
1001 |
925 |
700 |
590 |
413 |
400 |
1200 |
|
1000 |
216 |
1160 |
M33 |
1112 |
991 |
705 |
590 |
413 |
400 |
1300 |
|
1200 |
254 |
1380 |
M36 |
1328 |
1112 |
830 |
590 |
413 |
400 |
1850 |
Основные присоединительные размеры и масса изделия. Давление номинальное: 1,6 МПа (16 кгс/см2)
|
Ду (mm) |
L |
D1 |
4-X |
d |
H |
H0 |
A |
B |
D0 |
Масса (kg) |
|---|---|---|---|---|---|---|---|---|---|---|
|
80 |
49 |
160 |
M18 |
132 |
215 |
98 |
195 |
45 |
152 |
17 |
|
100 |
56 |
180 |
M18 |
156 |
230 |
112 |
195 |
45 |
152 |
21 |
|
125 |
64 |
210 |
M18 |
184 |
246 |
125 |
195 |
45 |
152 |
28 |
|
150 |
70 |
240 |
M22 |
211 |
297 |
155 |
325 |
66 |
305 |
35 |
|
200 |
71 |
295 |
M20 |
266 |
351 |
200 |
325 |
66 |
305 |
43 |
|
250 |
76 |
355 |
M24 |
319 |
384 |
231 |
315 |
78 |
305 |
56 |
|
300 |
83 |
410 |
M24 |
370 |
415 |
261 |
281 |
120 |
406 |
92 |
|
350 |
92 |
470 |
M24 |
429 |
470 |
298 |
281 |
120 |
406 |
115 |
|
400 |
102 |
525 |
M27 |
480 |
531 |
331 |
365 |
146 |
400 |
198 |
|
450 |
114 |
585 |
M27 |
548 |
564 |
369 |
365 |
146 |
400 |
250 |
|
500 |
127 |
650 |
M30 |
609 |
596 |
404 |
365 |
146 |
400 |
300 |
|
600 |
154 |
770 |
M33 |
720 |
676 |
473 |
525 |
305 |
400 |
510 |
|
700 |
165 |
840 |
M33 |
794 |
749 |
538 |
525 |
305 |
400 |
560 |
|
800 |
190 |
950 |
M36 |
901 |
829 |
615 |
525 |
305 |
400 |
720 |
|
900 |
203 |
1050 |
M36 |
1001 |
925 |
700 |
590 |
413 |
400 |
1250 |
|
1000 |
216 |
1170 |
M39 |
1112 |
1013 |
730 |
590 |
413 |
400 |
1320 |
|
1200 |
254 |
1390 |
M45 |
1328 |
1137 |
850 |
590 |
413 |
400 |
1860 |
Основные присоединительные размеры и масса изделия. Давление номинальное: 2,5 МПа (25 кгс/см2)
|
Ду (mm) |
L |
D1 |
4-X |
d |
H |
H0 |
A |
B |
D0 |
Масса (kg) |
|---|---|---|---|---|---|---|---|---|---|---|
|
80 |
49 |
160 |
M18 |
132 |
215 |
98 |
195 |
45 |
152 |
20 |
|
100 |
56 |
190 |
M22 |
156 |
230 |
112 |
195 |
45 |
152 |
21 |
|
125 |
64 |
220 |
M26 |
184 |
246 |
125 |
195 |
45 |
152 |
30 |
|
150 |
70 |
250 |
M26 |
211 |
297 |
155 |
325 |
66 |
305 |
40 |
|
200 |
71 |
310 |
M24 |
274 |
351 |
200 |
325 |
66 |
305 |
43 |
|
250 |
76 |
370 |
M27 |
330 |
384 |
231 |
315 |
78 |
305 |
58 |
|
300 |
83 |
430 |
M27 |
389 |
415 |
261 |
281 |
120 |
406 |
100 |
|
350 |
92 |
490 |
M30 |
448 |
470 |
298 |
281 |
120 |
406 |
129 |
|
400 |
102 |
550 |
M33 |
503 |
513 |
331 |
365 |
146 |
400 |
230 |
|
450 |
114 |
600 |
M33 |
548 |
564 |
369 |
365 |
146 |
400 |
280 |
|
500 |
127 |
660 |
M33 |
609 |
596 |
404 |
365 |
146 |
400 |
330 |
|
600 |
154 |
770 |
M36 |
720 |
676 |
473 |
525 |
305 |
400 |
545 |
|
700 |
165 |
875 |
M39 |
820 |
749 |
538 |
525 |
305 |
400 |
650 |
|
800 |
190 |
990 |
M45 |
928 |
829 |
615 |
525 |
305 |
400 |
800 |
|
900 |
203 |
1090 |
M45 |
1028 |
925 |
700 |
590 |
413 |
400 |
1350 |
Смотрите также
АЕКОН БЕЛ акредитованный трейдер
ОАО «Белорусская универсальная товарная биржа»
ОАО «Белорусская универсальная товарная биржа»